DYTKKVB电液动百叶阀

一、概述:
电液动百叶阀,电液动圆形百叶阀,电液动窗式百叶阀具有启闭小、动作灵敏、性能可靠、口径大、重量轻等优点。
二、详细说明:
用途:
本阀是与电动执行机构配套使用,具有启闭小、动作灵敏、性能可靠、口径大、重量轻等优点。广泛应用于冶金、建材、电力、石化、轻工等工业部门的风机、空调机、电收尘和各种大型管道中,能对粉尘、气体、进行电动或手动调节和切断。
电液动百叶阀,电液动圆形百叶阀,电液动窗式百叶阀主要技术参数:

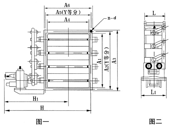
外形尺寸:




