
一、用 途
该阀适用于建材、冶金、化工、电力等部门中,作为压缩易爆气体管道的卸压装置。
二、特点
该阀为制焊接结构,结构简单,重量轻,性能可靠。
三、工作原理:
该闸由阀体:爆破片,压盖等组成,当系统压力大于O.IMPa压力时,爆破片自行破裂,防止系统发生爆炸。
四、型号编制说明:

五、主要性能指标:
无标题文档
|
适用介质 |
压缩易爆气体 |
|
工作温度(℃) |
≤300 |
|
使用压力(Mpa) |
0.1 |
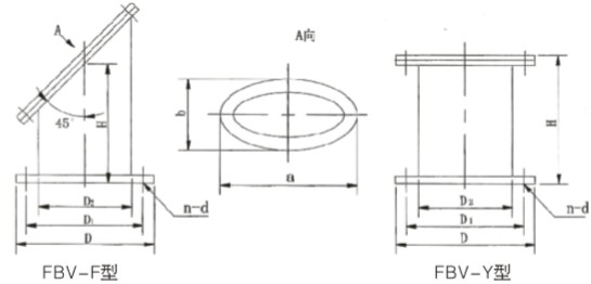
六、外形连接尺寸:

无标题文档
|
DN |
D |
D, |
02 |
H |
a |
b |
n |
d |
重量 |
|
200 |
285 |
245 |
212 |
200 |
422 |
334 |
8 |
14 |
41 |
|
300 |
425 |
385 |
325 |
300 |
582 |
447 |
12 |
18 |
27.8 |
|
350 |
477 |
435 |
377 |
350 |
655 |
499 |
12 |
18 |
32.8 |
|
400 |
536 |
490 |
426 |
400 |
724 |
548 |
12 |
18 |
40.3 |
|
450 |
588 |
540 |
478 |
450 |
799 |
600 |
16 |
18 |
47.0 |
|
500 |
649 |
600 |
529 |
500 |
871 |
651 |
16 |
18 |
54.6 |
|
600 |
750 |
700 |
630 |
550 |
1014 |
752 |
16 |
18 |
71.3 |
|
700 |
850 |
800 |
720 |
550 |
1140 |
842 |
16 |
22 |
91.5 |
|
800 |
950 |
900 |
820 |
600 |
1282 |
942 |
20 |
22 |
111 |
|
900 |
1050 |
1000 |
920 |
650 |
1424 |
1024 |
20 |
22 |
130 |



